三相固態繼電器
產品詳情
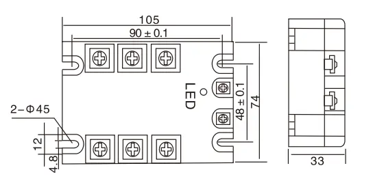
細部圖
特徵
1. 額定電流:10-120A
2. 內建遙控器
3. 附LED指示燈
4. 介電強度高達4000V
5. 高隔離強度 1000Ω/500VDC
6. 過零點或隨機開啟
7. 直流或交流控制
方面

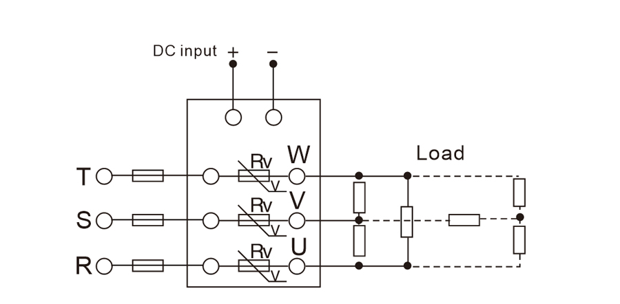
接線圖

預防措施
關於固態繼電器 (SSR) 處理高突波電流的注意事項
1.如果負載可能產生較大的突波電流(例如燈泡等),請確保固態繼電器能夠承受突波電流。
選擇固態繼電器時,了解負載特性至關重要。某些負載(例如白熾燈、馬達等)在啟動時會產生瞬態突波電流,其值可能是正常工作電流的數倍。務必確保所選固態繼電器的額定突波電流高於負載的突波電流,以避免過載和損壞固態繼電器。請查閱產品規格書,確認固態繼電器的突波電流承受能力,並依實際應用選擇合適的型號。
2.如果突波電流超過範圍,則必須在輸出端連接快速熔斷器。
為保護固態繼電器 (SSR) 免受過大突波電流的損害,建議在輸出端安裝快速熔斷器。快速熔斷器可在短時間內切斷電流,防止過載損壞 SSR。選擇熔斷器時,請確保其額定電流和反應時間符合您的應用需求,以便在發生突波電流時及時切斷電源,保護設備。
3.如果瞬時電壓超出量程,則必須在輸出端並聯一個壓敏電阻。建議使用750V的壓敏電阻。
瞬態電壓(例如電網波動或雷擊)會損壞固態繼電器 (SSR),因此在輸出端並聯一個壓敏電阻是一種有效的保護措施。當電壓超過其額定值時,壓敏電阻會迅速導通,將過高的電壓導入接地線,從而保護 SSR 及其負載。建議使用 750V 的壓敏電阻,以確保在大多數工業應用中獲得足夠的保護,防止瞬態電壓損壞設備。
參數表
| 類型 | KSSR-348¨DA | KSSR-348¨AA |
| 輸入 | ||
| 輸入電壓範圍 | 3-32VDC | 70-280伏特交流電 |
| 最大輸入電流 | 40毫安 | 15毫安 |
| 接通電壓 | 4VDC | 70伏特交流電 |
| 關閉電壓 | 2.7VDC | 50伏特交流電 |
| 輸出 | ||
| 負載電壓範圍 | 24-480VAC | |
| 峰值電壓 | 1000伏 | |
| 負載電流 | 10A、25A、40A、50A、60A、80A、100A、120A | |
| 最大關斷狀態漏電流 | ≤8mA | |
| 最大導通電壓降 | 1.5伏 | |
| 一般的 | ||
| 長*寬*高(毫米) | 105長*74寬*33高 | |
| 重量(約) | 360克 | |
| 介電強度(輸入到輸出) | 4000伏特交流電 | |
| 介電強度(輸入,輸出至基極) | 2500伏特交流電 | |
| 工作溫度 | -20℃~80℃ | |
| 認證 | 這 | |






















