SSR-P系列PCB型固態模組(SSR)
產品詳情
細部圖
規格
| 輸入 | KSSR-P124埠DA | KSSR-P122口DD |
| 控制電壓範圍 | 3-32VDC | |
| 最大輸入電流 | 6-35mA | |
| 必須接通電壓 | 3.5VDC | |
| 必須關閉電壓 | 1.5VDC | |
| 輸出 | ||
| 負載電壓 | 220伏特交流電,380伏特交流電 | 60VDC、110VDC、220VDC |
| 最大負載電流 | 1A、2A、3A、4A、5A、6A、7A | |
| 關斷狀態漏電流 | ||
| 導通電壓降 | ≦1.5伏 | |
| 一般的 | ||
| 介電強度 | 2500伏 | |
| 工作溫度 | -20℃-70℃ | |
| 證書 | 這 | |
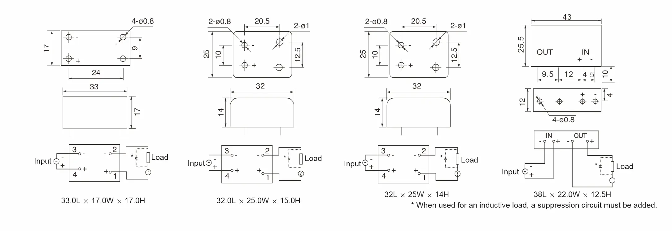
輪廓尺寸

預防措施:
1.接力焊接時,260℃時的焊接時間不應超過10秒,350℃時的焊接時間不應超過5秒。
2.接線繼電器時,務必確保輸入端的極性正確,以免損壞繼電器。
3.散熱器內置,如果散熱調節不良,則應降低輸出負載電流。
4.如果繼電器兩端的瞬態電壓超過額定值,則應在繼電器的輸出端並聯一個壓敏電阻,以防止繼電器斷開。






