相位角控制固態繼電器(4-20mA,0-10V)
產品詳情
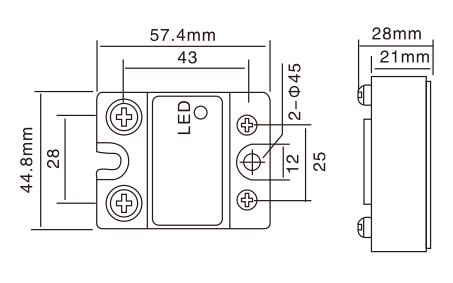
細部圖
特徵
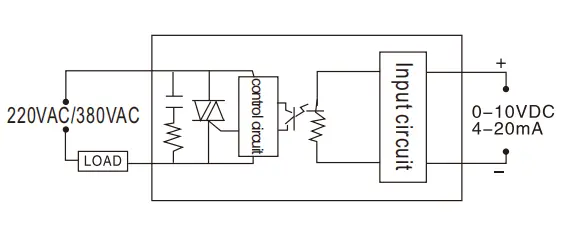
1.多種控制模式:支援0-10V和4-20mA輸入訊號。使用者可依實際需求靈活選擇控制模式,以確保與現有系統的兼容性。
2.額定電流範圍:提供 10A 至 120A 的額定電流選項,以滿足不同應用場景的電流需求,適用於從小型設備到大型工業設備的廣泛應用。
3.內建RC電路:整合式RC電路設計有效降低電源噪聲,提高系統穩定性和響應速度,並確保輸出訊號的平滑性。
4.優異的線性輸出:此調節器具有優異的線性輸出特性,確保在整個工作範圍內輸出電流與控制訊號之間呈線性關係,進而提高控制精度。
5.高可靠性:採用優質材料和先進的製造技術,確保設備在各種工作環境下具有高可靠性,並能適應惡劣的工業條件。
方面

接線圖

預防措施
1.可與智慧型PID溫度控制器搭配使用。
2.輸出電壓380V需要客製化。
3.負載超過 10A 時必須安裝散熱器,負載超過 40A 時必須透過風扇或水進行強製冷卻。
4.如果用於調整變壓器,請使用KDTY系列全隔離交流電壓調節器模組。
我們的單相固態電源調節器是一款高性能電源控制設備,專為工業自動化和製程控制應用而設計。此調節器支援 4-20mA 和 0-10V 輸入訊號,能夠精確調節輸出電壓和電流,以滿足各種負載需求。它是您實現高效穩定電源管理的理想之選,有助於您的設備和系統在各種應用中出色運作。
參數表
| 類型 | KSCR-138¨LA | KSCR-138¨VD |
| 輸入 | ||
| 輸入訊號 | 電流輸入:4-20mA | 電壓輸入:0-10VDC |
| 輸出 | ||
| 負載電壓 | 0-220VAC,0-380VAC | |
| 負載電流 | 10A、25A、40A、50A、60A、80A、100A、120A | |
| 最大關斷狀態漏電流 | 2mA | |
| 最大導通電壓降 | 1.5伏 | |
| 一般的 | ||
| 長*寬*高(毫米) | 57.4長*44.8寬*28高 | |
| 重量(約) | 100克 | |
| 介電強度(輸入,輸出至基極) | 2500伏特交流電 | |
| 工作溫度 | -20℃~80℃ | |
| 認證 | 這 | |




















