50毫米直徑增量式旋轉編碼器
產品詳情
特徵
• 直徑 50 毫米外殼,直徑 8 毫米實心軸
•精確測量角度、位置、轉數、速度、加速度和
距離
•可提供電纜類型、電纜連接器類型、軸向/徑向連接器類型
•多種解析度:每轉1至8000脈衝
•多種控制輸出選項
•電源供應器:5VDC±5%,12-24VDC±5%
產品組件
•產品
•使用說明書
•螺栓×7
•耦合×1
•括號×1
主要特點
高解析度:提供多種脈衝輸出選項,以確保對需要高精度控制的應用進行精確的角度測量和位置回饋。
耐用設計:採用優質材料製成,具有良好的抗衝擊性和抗干擾能力,能夠適應惡劣的工作環境。
安裝簡單:設計簡潔,配備標準接口,方便與各種控制系統和設備連接,減少安裝時間和成本。
用途廣泛:廣泛應用於自動化設備、機器人、CNC工具機、輸送系統等領域,以滿足不同客戶的需求。
多種輸出格式:支援多種輸出訊號(如TTL、HTL等),可根據客戶需求進行客製化,以確保與現有系統的兼容性。
無論是在工業自動化、機器控製或其他精密測量領域,我們的增量式旋轉編碼器都能為您提供可靠的性能和卓越的精度,是您的理想選擇。
規格
| 模型 | E50S8-□-□-T-□-□ | E50S8-□-□-N-□-□ | E50S8-□-□-V-□-□ | E50S8-□-□-L-□-□ |
| 解決 | 1/2/5 PPR01)10至8000人PPR型號 | |||
| 控制輸出 | 圖騰柱輸出 | NPN 開集電極輸出 | 電壓輸出 | 線路驅動器輸出 |
| 輸出階段 | A、B、Z | A、B、Z | A、B、Z | A、AB、B、z、Z |
| 流入電流 | ≤30mA | ≤30 mA | - | ≤20mA |
| 殘餘電壓 | ≤0.4VDC⎓ | ≤0.4VDC⎓ | ≤0.4VDC⎓ | ≤0.5VDC⎓ |
| 流出電流 | ≤10mA | - | 10毫安 | ≤-20mA |
| 輸出電壓(5VDC⎓) | ≥(電源-2.0) VDC⎓ | - | - | ≥2.5VDC⎓ |
| 輸出電壓(12-24VDC⎓) | ≥(電源-3.0)VDC⎓ | - | - | ≥(電源供應器 -3.0)VDC⎓ |
| 反應速度02) | ≤1μs | ≤ 0.5μs | ||
| 最大響應頻率 | 300千赫 | |||
| 最大允許轉速03) | 5000轉/分 | |||
| 贊同 | 什麼是ERC? | 什麼是ERC? | 什麼是ERC? | 歐洲區域合作委員會 |
01) 依控制輸出,僅輸出 A、B 或 A、A、B、B。
02) 以電纜長度為基礎:2 米,灌電流:20 mA
03) 選擇解析度以滿足最大允許轉數 ≥ 最大響應轉數。
[最大響應轉速(rpm)= 最大響應頻率/解析度 × 60 秒]
| 聯繫 | 軸向電纜類型 | 軸向電纜連接器類型 | 軸向連接器類型 | 徑向連接器類型 |
| 啟動扭力 | 0.007 牛頓米 | 0.078牛頓米 | ||
| 慣性矩 | ≤80g·cm2(8x10)-6公斤·米2) | ≤400g·cm2(4 X 10-5kg·m2) | ||
| 允許軸載荷 | 徑向力:≤10kgf,推力:≤2.5kgf | |||
| 單位重量(包裝後) | ≈275克(≈363克) | 180公克(≈268克) | ||
| 電源 | 5 VDC⎓±5% (漣波峰值:≤5%) / |
| 目前消耗 | 圖騰柱,NPN型電晶體,集電極開路,輸出電壓:≤80 mA(空載) |
| 絕緣電阻 | 所有端子與外殼之間的電阻:≥ 100 MΩ (500 VDC⎓兆歐姆表) |
| 介電強度 | 所有端子與外殼之間:750 VAC⎓ 50 / 60 Hz,持續 1 分鐘 |
| 振動 | 在 X、Y、Z 三個方向上,以 1 毫米的雙倍振幅,頻率為 10 至 55 赫茲(持續 1 分鐘),持續 2 小時。 |
| 震驚 | ≲ 75克 |
| 環境溫度 | 工作溫度:-10 至 70 ℃,儲存溫度:-25 至 85 ℃(無結冰或冷凝) |
| 地面環境。 | 儲存環境相對濕度:35%至85%,35%至90%(無結冰或冷凝) |
| 防護等級 | 軸向電纜類型/電纜連接器類型:IP50(IEC標準)01) |
| 電纜規格。 | 直徑 5 毫米,5 芯(線路驅動器輸出:8 芯),屏蔽電纜 |
| 電線規格。 | AWG24(0.08 毫米,40 芯),絕緣體直徑:Ø 1 毫米 |
| 連接器規格 | 圖騰柱,NPN 開集電極,電壓輸出:M17 6 針插座型 |
01) 防護等級 IP64 也可訂購。
(啟動扭力:≤ 0.078Nm,轉動慣量:≤ 400 g·cm)2(4×10)-5kg·m2))
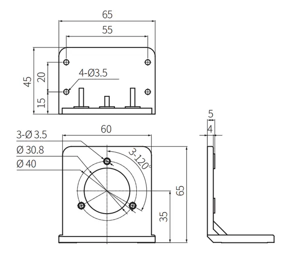
方面

括號

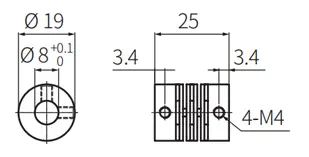
耦合

•平行偏差:≤ 0.25 毫米
•角度偏差:≤ 5°
•端部間隙:≤ 0.5 毫米






