Single phase DC to DC solid state relay
Product Details
Detailed picture
FEATURES
1.DC voltage control
2.MOSFET output
3.Transformer isolation
4.Low on-state resistance
5.With LED indication
6.Dielectric strength 2500V
7.Panel mount
DIMENSIONS

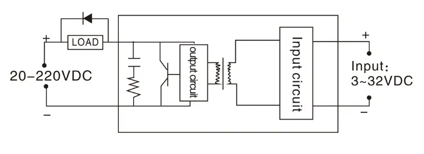
WIRING DIAGRAM

PRECAUTIONS
1. Inhibition circuit for inductive load: When using a single-phase DC solid-state relay to control an inductive load, an inhibition circuit must be added to prevent voltage spikes from damaging the relay. We offer a variety of voltage options, including 60VDC, 100VDC, 400VDC, and 900VDC, which customers can customize according to specific needs to ensure the stability and safety of the equipment in different working environments.
2. Notes when selecting relays: When selecting a suitable solid-state relay, please pay special attention to the operating current and ambient temperature of the load. This is because the performance of the relay is closely related to the characteristics of the load. When the load is working, adequate heat dissipation measures must be taken, such as using a suitable heat sink or other effective heat dissipation solutions, to prevent the relay from failing due to overheating and ensure the long-term stable operation of the system.
3. Heat dissipation management: The relay will generate heat when working, and this heat needs to be effectively dissipated through the metal base of the relay. Therefore, when installing, please ensure that the connection between the relay and the heat sink is tight. The installation should be firm, and the contact surface should be coated with thermal conductive silicone grease to improve the heat conduction efficiency and ensure the safety and reliability of the relay under high load conditions.
4. Output terminal connection precautions: When connecting the output terminal to the load line, make sure the connection is firm. If the connection is loose, the heat generated after power-on may cause the product to burn. In addition, excessive torque may also damage the relay, so be careful when installing and connecting to avoid unnecessary damage to the equipment.
PARAMETER TABLE
| TYPES | SYDH¨23DD3 | |
| INPUT | ||
| Input voltage range | 3-32VDC | |
| Max input current | 40mA | |
| Turn on voltage | 3VDC | |
| Turn off voltage | 2VDC | |
| OUTPUT | ||
| Load voltage range | 24-220VDC, 480VDC | |
| Load current | 10A,25A,40A,60A,80A,100A,120A | |
| Max off-state leakage current | 2mA | |
| Max on-state voltage drop | ≤1V | |
| GENERAL | ||
| Length * Width * Height(mm) | 58*45*33(with protection cover) | |
| Weight(approx.) | 100g | |
| Insulation resistance | 500MΩ/500VDC | |
| Dielectric strength (input,output to base) | 2500V | |
| Operating temperature | -20℃~80℃ | |
| Certification | CE | |
















