Dual SSR solid state relay
Product Details
Detailed Picture
FEATURES
1.Double zero crossing design: The relay adopts double zero crossing technology, which can switch when the current crosses the zero point, significantly reducing the arc and electromagnetic interference generated during switching. This design not only improves the service life of the equipment, but also ensures smoother current switching, which is suitable for application scenarios with high requirements on power quality.
2.Rated load current 10~80A: This solid-state relay supports a wide range of load currents, from 10A to 80A, to meet the needs of different devices and systems. Whether it is a small motor or a large heater, this relay can provide stable control to ensure efficient operation of the system.
3.Built-in RC circuit: The built-in RC circuit of the relay can effectively suppress the surge and noise generated during switching, protecting the back-end equipment from damage. This design enhances the stability of the system, reduces maintenance costs, and extends the service life of the equipment.
4.LED indicator: Each relay is equipped with an LED indicator to display the working status in real time. Users can easily judge the switch status of the relay through the indicator light, which is convenient for troubleshooting and maintenance, and improves the convenience and safety of operation.
5.Dielectric Strength 4000V: This solid state relay has a dielectric strength of up to 4000V, ensuring safe operation in high voltage environments. The strong insulation performance makes it suitable for various industrial applications and reduces the risk of electrical failure.
6.DC control: The relay supports DC control signals, is compatible with a variety of control systems, and is easy to integrate into existing equipment. Whether it is an automation control system or other electronic equipment, efficient switch control can be easily achieved.
DIMENSIONS

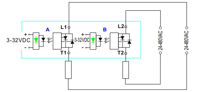
WIRING DIAGRAM

PRECAUTIONS
1.When choosing a SSR, please consider the actual load current and working ambient temperature.
2.Dual SSR must be mounted on heatsink , it's necessary to use thermal grease or thermal pad.
3.Tighten SSR terminal screws properly.
4.Please do not use SSR beyond the descriptions in the datasheet.
PARAMETER TABLE
| TYPES | KSSR-248¨DA | |
| INPUT | ||
| Input voltage range | 3-32VDC | |
| Max input current | 12mA | |
| Turn on voltage | 2.8VDC | |
| Turn off voltage | 1.5VDC | |
| OUTPUT | ||
| Load voltage range | 24-480VDC | |
| Peak voltage | 800V | |
| Load current | 10A,25A,40A,60A,80A | |
| Max off-state leakage current | 2mA | |
| Max on-state voltage drop | 1.5V | |
| GENERAL | ||
| Length * Width * Height(mm) | 58*45*28 | |
| Weight(approx.) | 150g | |
| Dielectric strength (input to output) | 4000V | |
| Dielectric strength (input,output to base) | 2500V | |
| Operating temperature | -20℃~80℃ | |
| Certification | CE | |




















